產品尺寸要求:






鋁合金站腳尺寸及技術要求:
1.鑄造過程不得有較大氣孔、疏松、夾渣等不良現象。
2.站腳成型后周邊不能有毛刺、飛邊。
3.表面噴砂處理:黑色。
鋁合金扶手框架尺寸及技術要求:
1.鑄造過程不得有較大氣孔、疏松、夾渣等不良現象。
2.站腳成型后周邊不能有毛刺、飛邊。
3.表面噴砂處理:灰色。
鋁合金寫字板支架尺寸及技術要求:
1.鑄造過程不得有較大氣孔、疏松、夾渣等不良現象。
2.站腳成型后周邊不能有毛刺、飛邊。
3.表面噴砂處理:灰色。
技術要求:
1.座椅根據人體工程學原理及形態美學設計制造,背墊和座墊之弧度完全符合人體原理曲線,座高和座深合理,坐感舒適,座墊可自動回復,座椅外觀簡潔而美觀。
2.座椅基本中心距為560±5mm,座包打開坐深460±5mm,寫字板打開側深876±5mm,基本椅高為1050±5mm,最小排距:900mm。
3.在保證觀眾舒適度的前提下,背墊高不超過1050mm,增加椅背板的聲反射面積,改善座椅的吸聲;座底板根據需要打吸音孔,使座椅的吸聲量在不同的上座率盡可能保持一致。
4.下藏式寫字板:寫字板鏈接鋁頭、托板采用優質鋁合金材料經模具一體壓鑄成型。寫字板面板采用硬木多層板壓鑄而成,寫字板固定方式為機械原理高強度螺栓,使寫字板鏈接部位越用越結實,不會出現松弛現象,打開回收時需帶消音功能,不可有反彈力與燥音的出現。
5.面料采用高檔針織面料,并經防靜電、防蛀處理,手感舒適,長時間使用無皺褶、斷裂、起球、褪色現象。
6.座椅泡綿均為聚氨酯冷發泡高回彈定型海綿,座海棉尺寸:長度為482±10mm,寬度為467±5mm,高度為96±10mm,海棉密度為40~55KG/M3,背海棉尺寸:長度為717±5mm,寬度為490±5mm,高度為155±5mm,海棉密度為35-45KG/m3,強度高,回彈性好,獨特配方,使泡綿具有抗菌性,能有效殺滅大腸桿菌等病菌。
7.座椅支架鋼材使用優質冷軋鋼材,焊接件采用機器人焊接,焊接質量高。表面經表面經脫脂→清洗→去銹→清洗→磷化→清洗→鈍化→粉末靜電噴涂→固化→冷卻然后采用環氧樹脂30微米靜電噴涂,保證鹽浴72小時漆膜耐腐蝕試驗不生銹。
8.座椅扶手為優質進口橡木實木,曲線造型,不變形、不開裂,扶手尺寸規格:長度為391±2mm,寬度為56±2mm,高度為44±2mm。
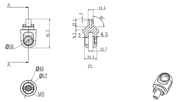
9.座包采用氣桿阻尼回復機構,兩級緩沖先快后慢,使座包3秒內可回復到位,具備逃生消音功能,座包回復碰撞部位增加橡膠墊防撞降噪,使座包打開無噪音,回復緩慢無沖擊性撞擊。
10.座背內外板:采用優質高密度硬木多層板,經模具冷壓注成型,不褪色,抗變型。背外板規格:長度為760±2mm,寬度為485±2mm,厚度為15mm。座外板尺寸規格:長度為440±2mm,寬度為475±2mm,厚度為15mm。背內板:采用優質夾板經模具壓彎成型。外型成弧型,美觀大方,具有曲線美。背內板尺寸規格:長度為688±2 mm,寬度為485±2mm,厚度為6 mm。
11.鋁合金扶手框架:采用優質鋁合金材料經模具一體壓鑄成型,內設下藏式寫字板打開回收功能,并保證寫字板有足夠活動空間,使寫字板打開回收時與扶手框架不會產生碰撞。鋁合金扶手寬≥50mm, 重≥2.9KG。扶手表面采取帶弧面設計,以保證產品的滿飽美觀性。
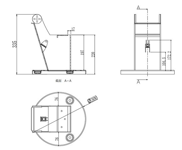
12.站腳:托板采用優質鋁合金材料經模具一體壓鑄成型,腳管采用優質方管,腳筒為優質鋼板,經模具壓制后用二氧化碳焊接成型,外形為單腳下通風結構裝置,表面經過除銹、清洗、氧化、烘干、靜電、高溫、靜噴亞光黑處理,尺寸規格:長度為495±2mm,寬度為285±2mm,高度為300±2mm。
13.座椅固定方式采用內隱藏式壓爆螺絲固定地面,外觀特別設計塑料防塵蓋,保證椅腳平滑美觀的同時防止積塵,便于清潔。
14.按要求提供單人位整椅樣品一組,提供鋁合金站腳小樣一套,提供鋁合金扶手框架小樣一套,提供鋁合金寫字板支架小樣一套,未按要求提供樣品的或提供樣品不符合要求的樣品分不得分。








